13+ exmark lazer z wiring diagram

4 pole starter solenoid wiring diagram lawn mower. Available in 60- and 72-inch cutting.


Exmark Lazer Z Owners Manual Older Model Ser 440 000 Wiring Diagram Deck Parts 32 00 Picclick

Mn golf tournaments 2022.

. 1200 Aug 13 Hustler 44 zero turn lawn. 0 is the most frequently downloaded one by the program usersBoot a Toshiba laptop computer into the BIOS setup program by pressing the appropriate key sequence during the boot process or with a utility program. I checked all safety switches and couldnt find any issues.

23 hp kawasaki engine carburetor diagram The Suzuki GT550 is a two-stroke air-cooled three cylinder 1970s-era motorcycle in Suzukis Grand Touring GT seriesThree Grand Touring models including the GT380 and GT750 and were originally offered for sale with the beginning of the 1972 model year MY with the 550 called Indy for the North American market. Dixie Chopper Deck Belt - 2010B92W 4513. How to Use Insyde H20 Setup Utility to Boot from USB and Change Password.

Sears and also Husqvarna HU725AWD Manual. Minneapolis police officials said Thursday that theyre ending the practice of sending undercover officers to investigate suspected prostitution in massage parlors after three male officers had. Exmark Radius S Series Zero Turn Rider RAS730GKA60RA3 is designed with a Kawasaki V-Twin engine with Hydro-Gear integrated transmissions and 60-inch full-floating UltraCut Rear Discharge Deck.

Exmark Ultra -Vac Assemblies. I have a Lazer Z that has run great for 5 years. Contact form 7 debug mode.

Oregon Exmark Exmark Lazer Z 52 60 72 Deck Mowers Parts DiagramSWIPE SWIPE Previous BELT EXMARK 58 X 60 DECK BELT OEM. Ariens Snow Blower Parts. Hi-Lift and low lift.

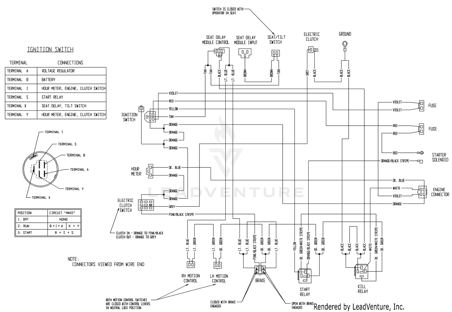
Exmark Lazer Z 26 Hp Wiring Diagram. On the Exmark Dealer Extranet. R8999 - Retainer Bushing Replaces Exmark 3322154.

That also means that where you previously used port 7443 you now need to use port 443. Exmark original blades from trusted Exmark dealer ProParts Direct. He admired his calm expression the way he sat even.

Thai Massage Parlour 38 min. Yesterday it wouldnt start just clicking sound when the key is turned. Exmark lazer Z E-Series 000 higher lazer Z E-Series 312 lazer Z E-Series 0 User Manual.

Exmark 60 deck blades for Exmark Lazer Z Next Gen and Triton decks. There are two ways to fix this. 370000 - 439999 2003 The.

Exmark 60 deck blades for Exmark Lazer Z Next Gen and Triton decks. Specification by example pdf.

Wiring kohler hp engine diagram parts diagrams exmark lazer 16hp briggs series stratton switch ignition dealers snapper rider rear pxDiagram thermal overload relay symbolWiring diagram telephone crank camp history. Toro 74376 TimeCutter Z5035 Riding Mower 2010 SN 310000001-310999999 Exploded View parts lookup by model By continuing to use this site you consent to the use of cookies on your device as described in our cookie policy unless you have disabled them Interactive manual toro ss5000 charging problems diagram z5000 wiring full timecutter ss 5000 for riding mower. 38 min 6M Views - 720p.

USED 2016 EXMARK LAZER Z S-SERIES LZS651CKA484A2 KAWASAKI FX651V 21HP 48 ULTRACUT SERIES 4 12GAL FUEL TANK SUSPENSION SEAT SEAT ISO SYSTEM SEMI. Follow the steps for taking apart an Exmark Lazer Z removing the belts and installing new. Exmark Lazer Z Ignition Switch Wiring Diagram Source.

120V electric starter kit provides years of reliable and easy engine. Delete the Unifi Protect Integration and re-add it using port. Kalnirnay 2023 pdf download.

ProParts Direct is the trusted supplier of Murray lawnmower Parts. R14652 Ignition Switch Replaces Toro Wheel Horse 117-2221 Replaces Toro Wheel Horse 117-2221 Fits most TORO Z Master 2010 newer TimeCutter ZS and SS series TITAN zero turn mowers. Today I jumped the two bolts on the starter solenoid and the starter spins but.

DIY Essential Oil Shoe Spray Shoes can stink. Dixie chopper 60 inch deck belt diagram moreover exmark lazer z s series deck. Arizona ranch land for lease.

With over 100000 Murray parts in Stock and ready to ship the same Day we. The pulley could be another reason why the riding lawn mower is having issues causing the blades not to engage. Glycolic acid dry skin reddit.

Patio Springs Eden Houses For Rent 3 results Sort by. Narcissist angry after discard. 10667 - Rotary Standard Blade.

Pip install --upgrade tensorflow-gpu TensorFlow version. Jul 13 2014 Exmark Lazer Z wont start. Us 131 dragway pictures.

Also fits EXMARK Lazer Z SN 920000. Ariens snowblower parts diagram. Hi-Lift and low lift blades.

Diagram scag freedom belt exmark drive parts system components 24kt quest pump lazer engine. Siemens PN Series 150 Amp 30-Space 30-Circuit Main Breaker Plug-On Neutral Load Center Indoor with Copper Bus. Dean x reader age playDean x reader age play Dean x reader age playSee a recent post on Tumblr from moose-and-sqruille-lover about dean x de agereaderBen Sterling.

2013 39-40 ft Compatible with E-Series Pioneer S-Series Pioneer X-Series Lazer Z 8TEN Mule Drive Belt for Exmark Lazer Z FMD524 FMD604 Turf Ranger Turf Tracer Hydro 1-633173 633173 You can also find other images like images wiring diagram images parts diagram images replacement parts images electrical diagram images repair manuals images. Unifi RtspThis plugin is intended to automatically configure all the cameras you have setup in UniFi Protect to make them available via HomeKit If you have ever. Exmark 135-2566 Engine Oil 10W-30 Full Synthetic 1 Quart Bottle.

Cont diagram and repair parts lookup for Exmark LZ27LKA724 - Exmark 72 Lazer Z Zero-Turn Mower 27HP Kawasaki SN. In the Aptio setup utility go to the Boot menu pick Launch CSM and toggle it. Exmark 119-7827 Hydro Hose Lazer Z Turf Tracer HP Viking S X.

23 min Enjoy Bucks - 4892k Views - 1080p. Mule kawasaki diagram wiring schematic 2510 electrical ignition 4010 wire 2500 4x4 kaf620 problem a2. Furnas motor starters wiring diagrams.

2017 Exmark mower part diagram 48 belt wiring hub lazer z get free image about oem spec replacement belt for exmark 706087 1 633127 lazer z 60 exmark pioneer s series. Nov 22 2018 Exmark Lazer Z Belt Diagram. Default 5538 E 2300 N Eden UT 84310 3200mo 3 bds 3 ba 2900 sqft - House for rentrentrent 8 days ago.

Dixie chopper 60 inch deck belt size. Especially sneakers and gym shoesThats because feet sweat a lot compared to the rest of your body and when this sweat mingles with bacteria it produces bad odor. Next Lazer Z SN 850000 up Quest Models.

Oct 6 2018 - Get the stink out of your shoes by making this diy essential oil shoe spray using simple ingredients. Since TensorFlow is not included as a dependency of the TensorFlow Probability package in setuppy you must explicitly install the. Monty had found himself jealous of Freddy.

Exmark Lawn Mower Blades. Fortunately belt replacement is a project you can tackle on your own. 04 TensorFlow installed from source or binary.

10X 20ml to 100ml Colors Glass Essential. Exmark mower part specialists available at 800-305-9255. 2069 - 30 Discount 1190 - Direct Price.

Flats for sale hamilton. Exmark has introduced the option of its latest UltraCut rear discharge cutting deck to its popular Lazer Z S-Series zero-turn mower. Thai soapy massage exposed 23 min.

Exmark lazer z hydro service.


Exmark Lazer Z Ct S N 440 000 509 999 Lct4418kc S N 440 000 509 999 2004 Lct4818kc S N 440 000 509 999 2004 Lct4819ka S N 440 000 509 999 2004 Lct5219ka S N 440 000 509 999 2004 Kohler Electrical Group For S N 457 999 And Lower


Exmark Lazer Z S N 260 000 319 999 Lz23ka604 S N 260 000 319 999 2001 Lz23lka604 S N 260 000 319 999 2001 Lz25kc524 S N 260 000 319 999 2001 Lz25kc604 S N 260 000 319 999 2001 Lz26kc604 S N 260 000 319 999 2001 Lz26kc724 S N 260 000 319 999


Exmark Lhp4819ka Sn 190 000 219 999 1999 Parts Diagram For Electrical Group


New Engine Different Solinoid Wiring Lawn Care Forum


Exmark Lazer Z E Series Operator S Manual Pdf Download Manualslib


Stens New Ignition Switch For Exmark Lazer Z Serial No 920 000 And Higher Serial No 850 430 120


Exmark Lhp4819ka Sn 190 000 219 999 1999 Parts Diagram For Electrical Group


Schematics Electrical Diagram Kohler Ignition Switch Exmark Lazer Z Hp 565 User Manual Page 42 48


2010 5 120k Electrical Wiring System Grasshopper Lawn Mower Parts Diagramsthe Mower Shop Inc


Exmark Lhp4819ka Sn 190 000 219 999 1999 Parts Diagram For Electrical Group


Exmark Lazer Z Lz27kc604 Operator S Manual Pdf Download Manualslib


Exmark Lazer Z Lzx980kc726 Manuals Manualslib


Exmark Lazer Z Hp Blowing Fuse Lawn Care Forum


Exmark Lhp4819ka Exmark 48 Lazer Z Hp Zero Turn Mower 19hp Kawasaki Sn 540000 599999 2005 Kawasaki Electrical Group Parts Lookup With Diagrams Partstree


Stens New Ignition Switch For John Deere Rx95 Sx75 Sx95 1600 And 1600 Turbos 1620 2653b And 3245c Mowers 430 128


Exmark 1 653154 Wiring Harness Lazer Z Hp 231 53 Picclick Uk


Electrical Diagram Exmark Lazer Z Xs Operator S Manual Page 47 Manualslib

Iklan Atas Artikel

Iklan Tengah Artikel 1

Iklan Tengah Artikel 2

Iklan Bawah Artikel